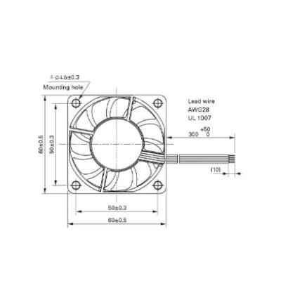
San Ace 60 Cooling Fan
The Sanyo Denki San Ace 60 (Model 109P0612H761) is a high-performance, industrial-grade axial cooling fan designed for reliability and efficient thermal management. Known for its compact 60mm form factor, this fan is a standard choice for servers, power supplies, and telecommunications equipment.
Performance & Design Features
* Exceptional Reliability: Built with dual ball bearings to ensure a long service life and stable operation even in high-temperature environments.
* Precision Engineering: Features a glass-fiber reinforced plastic frame and impeller (UL 94V-0 rated) for durability and flame resistance.
* Optimized Airflow: The “H” speed rating indicates a high-airflow design, making it suitable for densely packed electronic enclosures.
* Safety Certified: Fully compliant with major international safety standards, including CSA, TUV, and UL certifications.
Applications
* IT Infrastructure: Ideal for network switches, routers, and 1U/2U server chassis.
* Industrial Power: Used in power supply units (PSUs) and frequency inverters.
* Medical Equipment: High-reliability cooling for diagnostic and laboratory machinery.




There are no reviews yet.